Каталог товарів

LZZB-27,5 Трансформатор струму внутрішній 27,5~35 кВ

Артикул: LZZB-27,5
( 3 )
Немає на складі
Під замовлення
В наявності
0,00 грн
0,00 грн

Немає на складі

Каталоги обладнання

   LIAOCHENG HUARUI ELECTRIC

   DALIAN NORTH INSTRUMENT TRANSFORMER GROUP 2

   NAN RUI ELECTRICAL

Опис

Трансформатор струму внутрішній LZZB-27.5
Виробник: Dalian Zhongfa Transformer Co., Ltd.

Опис виробу:

Трансформатор струму LZZB-27.5 призначений для використання у закритих приміщеннях у мережах з напругою 27.5-35 кВ. Він забезпечує точне вимірювання струму та захист електрообладнання. Основні особливості:

  • Тип конструкції: Опорний (Pillar type), литий (Casting type).

  • Застосування: Системи захисту та обліку електроенергії.

  • Стандарти: Відповідає вимогам для трансформаторів струму середньої напруги.


Технічні параметри:

Номінальний первинний
струм (А)

Комбінація
класів
точності 

Номінальна потужність
(VА)

4-х
секундний
термічний
струм (kA)

Номінальний
динамічний
струм (kV)

0,5

1

10Р10

50

0,5/10Р10 1/10Р10

10

10 

15

10

25

75

0,5/10Р10 1/10Р10

10

10 

15

12

30

100

0,5/10Р10 1/10Р10

10

15

30

16

40

150

0,5/10Р10 1/10Р10

10

25

30

20 

50

200

0,5/10Р10 1/10Р10

10

25

30

20 

50

300

0,5/10Р10 1/10Р10

10

25

30

31,5 

80

400

0,5/10Р10 1/10Р10

10

25

30

31,5 

80

500

0,5/10Р15 1/10Р15

25

25

30

31,5 

80

600

0,5/10Р15 1/10Р15

25

25

30

31,5 

80

750

0,5/10Р15 1/10Р15

25

25

40

31,5 

80

800

0,5/10Р15 1/10Р15

25

25

40

31,5 

80

1000

0,5/10Р15 1/10Р15

25

25

40

31,5 

80

1200

0,5/10Р15 1/10Р15

25

25

40

31,5 

80

1250

0,5/10Р15 1/10Р15

25

25

40

31,5 

80

1500

0,5/10Р15 1/10Р15

25

25

40

31,5 

80

1600

0,5/10Р15 1/10Р15

25

25

40

31,5 

80

 

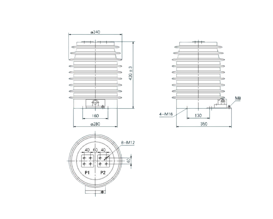
Габаритні розміри (мм):

  • Висота: 350 мм

  • Ширина: 130 мм

  • Кріплення: 4 отвори під болти M16


Додаткова інформація:

  • Корпус: Литий з епоксидної смоли, високий ступінь захисту від вологи та пилу.

  • Монтаж: Вертикальний, на плоску поверхню.

  • Середовище експлуатації: Приміщення з температурою від -25°C до +40°C.


Примітка: Для повної технічної документації звертайтеся до дистриб'ютора. Характеристики можуть змінюватися залежно від модифікації.

Характеристики
  • Призначення:
    вимірювальний
  • Спосіб установлення:
    внутрішній
  • Рівень напруги:
    середньої напруги (27.5-35 кВ)
  • Тип ізоляції:
    епоксидна смола
Відгуки
Поки немає відгуків
Написати відгук
Ім'я*
Email
Введіть коментар*