Каталог товарів

HY5WS1-5/15TL Розрядник перенапруг розподільчого типу 3-6 kV

Артикул: HY5WS1-5/15TL
( 3 )
Немає на складі
Під замовлення
В наявності
0,00 грн
0,00 грн

Немає на складі

Каталоги обладнання

   LIAOCHENG HUARUI ELECTRIC

   DALIAN NORTH INSTRUMENT TRANSFORMER GROUP 2

   NAN RUI ELECTRICAL

Опис

Розрядник перенапруг розподільчого типу HYSWS1
Виробник: Dalian Zhongfa Transformer Co., Ltd.


Загальний опис:

Серія HYSWS1 - це сучасні оксидно-цинкові обмежувачі перенапруг для захисту електрообладнання середньої напруги. Доступні 4 модифікації:

Модель Призначення Особливість
HYSWS1-5/15 Розподільчі мережі Базова версія
HYSWS1-5/15TL Розподільчі мережі З подовженим терміном служби
HYSWS1-10/30 Промислові мережі Підвищена стійкість
HYSWS1-10/30TL Промислові мережі Підвищена стійкість + довговічність


Технічні параметри:

Використання розрядника

Модель розрядника

Номінальна напруга
розрядника

Номінальна напруга
системи

Безперервна робоча
напруга розрядника

Еталонна напруга
постійного струму при
1mA D.C ≥

Залишкова
напруга

Пропускна здатність

Струм витоку при
0,75U1mA ≤

Уніфікований шлях
витоку ≥

Вага

При грозовому
імпульсі 8/20 5 kA

Імпульсний струм
1/10 5 kA

Імпульсний струм
30/60 0,1 kA

Квадратичний
струм (2 ms)

Повторюване
перенесення
заряду

4/10 високий
струм

Ефективне значення (kV) 

kV 

Пікове значення ≤ (kV)

C

kA

μ A 

mm/kV

kg

S

HY5WS1-5/15TL

5

3

4

7,5

15

17,3

12,8

150

0,3

65

50

53,7

1,2

 

Ключові характеристики:

  • Матеріал: Оксидно-цинкові

  • Захист від:

    • Атмосферних перенапруг (до 150кА)

    • Комутаційних перенапруг (30/60 мкс)

  • Температурний діапазон: -40°C...+60°C

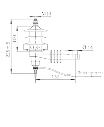
  • Підключення: Верхній/нижній клемний болт М10

Рекомендації з монтажу:

  • Для приміщень (ступінь IP20)

  • Встановлювати:

    • На вводах підстанцій

    • Біля силових трансформаторів

    • У розподільчих щитах

  • Не використовувати:

    • У зовнішніх установках без додаткового захисту

    • У середовищах з агресивними газами

Примітка: Версії з індексом "TL" мають покращені характеристики довговічності (+30% ресурсу). Для точного підбору моделі консультуйтесь з виробником.


 

Характеристики
  • Призначення:
    захист мереж
  • Спосіб установлення:
    внутрішній
  • Рівень напруги:
    середньої напруги (3-6 кВ)
  • Тип ізоляції:
    полімерний
Відгуки
Поки немає відгуків
Написати відгук
Ім'я*
Email
Введіть коментар*